S64DB-12-135
  • S64DB-12-135 S64DB-12-135

S64DB-12-135

Модел:S64DB-12-135

Хидраулични цилиндри HCIC S64DB-12-135: Премиум, приспособливи опции за глобални индустриски купувачи. Сигурни спецификации, стабилни перформанси, директни зделки во фабриката - идеални за градежништво, рударство и набавки во земјоделството.

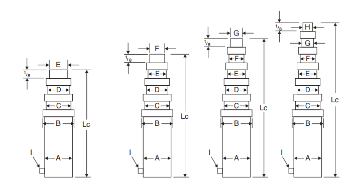
  • Number Stages:

    4
  • Nominal Stage OD:

    6
  • Stroke:

    135
  • Closed:

    47.19
  • Open:

    182.19
  • Pin:

    1.75
  • Width:

    8

Испрати барање

Опис на производот

За купувачите на индустриска опрема. Ова се информации за цилиндарот HCIC S64DB-12-135. Основни спецификации, квалитет на градба, каде да се користи, сопствени услуги. Сите практични. Без пената.


customizable hydraulic cylinders


parker multi-stage hydraulic cylinders


I. Основни спецификации: Одговара на повеќето работи за инсталирање


HCIC S64DB-12-135 = стандарден дизајн. Работи за повеќето индустриски машини. Пренос на енергија, инсталација - нема проблеми.


• Структурни димензии:Надворешен дијаметар 6. 4 фази. Мозочен удар 135. Затворена должина 47,19. Продолжена должина 182,19. Компактен. Одговара на стандардните слотови за монтирање на машината.

• Компатибилност за монтирање:Големини на пиновите 1,75 / 1,5. Натпревари со ширина 8 / 2,69. Заварување, шарка - и двете работат. На повеќето машини им требаат нула модови.

• Основни перформанси:Стандардна индустриска заптивка. Работи без престан во редовни услови. Ги исполнува вообичаените стандарди за хидрауличен притисок.


heavy-duty hydraulic cylinders


II. Квалитет на градба: доверлив, без дефекти


Го проверуваме секој чекор. Од суровини до испорака. Нема кратенки. Само конзистентен квалитет.


(1). Суровини:Буре = 45# челична цевка без шевови. Клипна шипка = изгаснат + хромирана. Се спротивставува на абењето, се спротивставува на 'рѓата. Добро за редовна индустриска употреба.

(2). Обработка и склопување:Внатрешен ѕид на цилиндар = исполирана мазна. Клипот се движи без заглавување. Индустриски заптивки = помалку истекување масло.

(3). Проверка на квалитет:Секој цилиндар поминува 3 тестови. Тест на притисок. Тест за мозочен удар. Тест за печат. Ги зачувуваме сите податоци од тестот. Само помине = брод надвор.

dump hydraulic cylinder

III. Апликативни сценарија: Работи за сите видови опрема


Цилиндрите S64DB одговараат на многу индустриски полиња. Делови со цврста моќност за машини.


• Градежни машини:Багери, натоварувачи. Одговара на погони за бум и корпа. Рачки подигање, телескоп, ротирање. Добро за секојдневни градежни работи.

• Металуршки и рударски:Прилагодување на печката, контрола на напојување на дробилката. Работи во тешки средини. Ги исполнува основните барања на теренот.

• Земјоделски машини:Сеачи, жетвари. Ја прилагодува длабочината на сеење, ги крева заглавјата. Го прави земјоделството поефикасно.

• Специјална опрема:Прилагодете ги параметрите. Одговара на воздушни лифтови, компактори за ѓубре. Основна поддршка за напојување — готово.


IV.ЧПП

Практични одговори на вашите прашања за хидрауличниот цилиндар HCIC S64DB-12-135, вклучувајќи спецификации, компатибилност, квалитет и прилагодување.

✔ Основни спецификации и компатибилност

П: Дали цилиндерот HCIC S64DB-12-135 ќе одговара на мојата стандардна индустриска машина без измени?

О: Апсолутно. HCIC S64DB-12-135 е стандардно дизајниран хидрауличен цилиндар со компактни структурни димензии (надворешен дијаметар 6, затворена должина 47,19, продолжена должина 182,19) и компатибилни големини на пиновите (1,75 / 1,5) и ширини (8 / 2,69). Одговара на повеќето стандардни слотови за монтирање на машината и работи за монтирање на завар и шарка - на повеќето индустриски машини им требаат нула модови за да го инсталираат за пренос на енергија или други задачи.

П: Кои се клучните спецификации за структурата и перформансите на цилиндерот HCIC S64DB-12-135?

О: HCIC S64DB-12-135 има 4 фази, удар од 135 инчи, затворена должина 47,19 инчи и продолжена должина 182,19 инчи. Користи стандардни индустриски заптивки, работи без престан во редовни индустриски услови и ги исполнува вообичаените стандарди за хидрауличен притисок. Неговиот компактен дизајн го прави идеален за тесни места за монтирање на повеќето индустриски машини.

П: Кои опции за монтирање се достапни за цилиндарот HCIC S64DB-12-135?

О: Овој цилиндар поддржува два вообичаени индустриски методи за монтирање: заварување и шарки. Доаѓа со компатибилни големини на пиновите (1,75 и 1,5) и одговара на стандардните широчини на машината (8 и 2,69), за да можете да го инсталирате користејќи го методот што најдобро одговара на вашата опрема - не се потребни прилагодени адаптери за монтирање за повеќето машини.

П: Дали цилиндерот HCIC S64DB-12-135 може да се справи со континуирана непрекината индустриска употреба?

О: Да. Изграден е со стандардни индустриски заптивки и ги исполнува вообичаените стандарди за хидрауличен притисок, што му овозможува да работи без престан во редовни индустриски услови. Исчистениот мазен внатрешен ѕид на цилиндарот обезбедува движење на клипот без лепење, а висококвалитетните материјали се отпорни на абење - совршени за секојдневна континуирана употреба на градежни, земјоделски или металуршки машини.

⚙️ Изградете сценарија за квалитет и примена

П: Кои материјали се користат за изработка на цилиндарот HCIC S64DB-12-135 и колку е издржлив?

О: Бурето на цилиндерот е направено од челична цевка без шевови 45#, а клипната шипка е изгаснат и хромирана - оваа комбинација е отпорна на абење и 'рѓа, совршена за редовна индустриска употреба. Внатрешниот ѕид е мазен за да се спречи лепење на клипот, а индустриските заптивки го намалуваат истекувањето на маслото - сето тоа придонесува за долготрајни, сигурни перформанси без неочекувани дефекти.

П: Какви тестови за квалитет поминува цилиндерот HCIC S64DB-12-135 пред испораката?

О: Секој цилиндар HCIC S64DB-12-135 поминува 3 ригорозни тестови пред да го испорачаме: тест за притисок (за исполнување на хидраулични стандарди), тест за удар (за да се обезбеди непречено движење) и тест за заптивка (за да се спречи истекување на маслото). Ги зачувуваме сите податоци од тестот за идна референца и никогаш не испраќаме цилиндар што не ги поминува сите три - без кратенки, само конзистентен квалитет.

П: За кои индустриски полиња и машини е погоден цилиндерот HCIC S64DB-12-135?

О: Овој цилиндар е разноврсен и одговара на многу индустриски полиња. Работи за градежни машини (багери, натоварувачи за погон на стрели/кофи), металуршка и рударска опрема (подесување на печката, контрола на храната на дробилката), земјоделски машини (сејачи, жетвари за прилагодување на длабочината на сеење) и специјална опрема (воздушни лифтови, компактори за ѓубре) - тоа е цврст дел за моќност за сите видови.

П: Дали цилиндерот HCIC S64DB-12-135 може да работи добро во тешки рударски или металуршки средини?

О: Да. Угасната и хромирана клипна шипка се спротивставува на 'рѓата и абењето, а челичната цевка без шевови 45# е доволно цврста за да се справи со суровите услови на рударските и металуршките локации. Дизајниран е за прилагодување на печката и контрола на напојувањето на дробилката и ги исполнува основните барања на теренот - нема да морате да се грижите дали не успее кога ви е најпотребно.

🛡️ Приспособување и предности на соработка

П: Може ли да го приспособам цилиндерот HCIC S64DB-12-135 за да ги задоволи моите потреби за специјална опрема?

О: Апсолутно. Ако стандардниот HCIC S64DB-12-135 не е сосема соодветен за вашата машина, ние нудиме сопствени хидраулични решенија. Можеме да ја прилагодиме структурата, ударот, стилот на монтирање и заптивките врз основа на вашите специфични потреби - само работете 1-на-1 со нашиот технолошки тим за да ја потврдите околината на вашата машина, потребите за струја и просторот за монтирање, а ние ќе создадеме решение прилагодено на вас.

П: Кој е процесот за добивање приспособена верзија на цилиндерот HCIC S64DB-12-135?

О: Прилагодениот процес е едноставен: 1) Прво, нашиот технолошки тим разговара 1-на-1 со вас за да ги потврди вашите потреби и да создаде јасен документ за потребите. 2) Потоа, ги прилагодуваме спецификациите на цилиндерот и ви испраќаме цртежи за потврда. 3) Откако ќе го одобрите, ние го произведуваме (прв дојден, прв услужен) и го испраќаме преку вашиот претпочитан метод (морски/воздушен товар за глобални клиенти). 4) Конечно, обезбедуваме поддршка по продажбата за инсталација и употреба.

П: Кои предности ги добивам кога го нарачувам цилиндарот HCIC S64DB-12-135 директно од вашата фабрика?

О: Нарачувањето директно од нашата фабрика за HCIC има две големи придобивки: прво, поволност од цената – нема посредници, така што ги заштедувате трошоците, а нарачките на големо добиваат подобри попусти. Второ, поддршка за надворешната трговија – обезбедуваме повеќејазични документи, совети за царински код и помагаме со документите за декларација, така што прекуграничното купување е непречено. Ние исто така нудиме стандардна гаранција и бесплатни поправки/делови за нечовечка штета.




V. Прилагодени услуги: Направете ги цилиндрите на вашиот начин


Посебни потреби? Имаме едноставен процес. Прилагодени хидраулични решенија за вас.


(1). Потребен е разговор:Нашиот технолошки тим разговара 1-на-1. Потврдете ја околината на вашата машина, потребите за енергија, просторот за монтирање. Дајте јасен документ за потребите.

(2). Фаза на дизајнирање:Прилагодете ја структурата, ударот, монтажата, заптивките. Врз основа на вашите потреби. Испратете ви цртежи за да потврдите.

(3). Производство и испорака:Прилагодени нарачки = прв дојден, прв услужен. Редовни сопствени модели = стандардно време на производство. Морски/воздушен товар за глобални клиенти.

(4). Поддршка по продажбата:Стандардна гаранција. Нечовечка штета = бесплатна поправка/делови. Техничка телефонска линија = одговара на прашања за инсталирање/користење во секое време.


double-acting telescopic hydraulic cylinders

VI. Предности на соработката: Лесни глобални зделки


HCIC = професионална фабрика за хидраулични цилиндри. Добро е да се работи со глобални клиенти.


• Цена поволност:Фабрички директно. Нема посредници. Заштедете ги трошоците. Масовни нарачки = подобри попусти.

• Поддршка за надворешна трговија:Документи со повеќе јазици. Совети за царински код. Помош со декларации. Прекугранично купување = непречено.


VII.Контактирајте не:

HCIC е професионален производител на хидраулични уреди, главно ангажиран во дизајнирање, производство, инсталација, трансформација, пуштање во работа и хидраулични компоненти, продажба на брендот и технички услуги. Се надеваме дека нашиот производ може да помогне да ги заштедите трошоците и да го подобрите вашиот квалитет.За повеќе детали, испратете ни е-пошта на „davidsong@mail.huachen.cc“ или пребарувајте на Google „HCIC hydraulic“


Жешки тагови: S64DB-12-135, производители, добавувачи, на големо, приспособено, на залиха, одбиен камион, Кина, плуг за снег
X
Ние користиме колачиња за да ви понудиме подобро искуство во прелистувањето, да го анализираме сообраќајот на страницата и да ја персонализираме содржината. Со користење на оваа страница, вие се согласувате со нашата употреба на колачиња. Политика за приватност
Отфрли Прифати